
Union DIN 11851
Connection Type: Clamped
Material: SS304,SS316L
Standard: 3A, DIN, SMS, BS, RTJ, ISO, IDF, DS, INCH etc
Dimension: 1/2”to 12” / DN15 ~ DN300, applied to the stainless steel pipeline system.
Surface finish: mirror polished, descaled finish
MOQ: 500PCS each item
Packaging: General exporting cartons+pallets (if customer requests)
Transport method: By sea, by air or by rail (samples by express)
Sample: Free Sample Available
Description
Union DIN 11851 is fabricated complying with DIN 11851 standard. Consisting of a round Slotted Nut, a Weld liner and Weld Male, and an o-ring seal. We offer DIN sanitary union fittings assembling with different types, and customized fabrication is available.

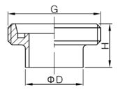
Dimension of Sanitary DIN Union Fittings – Round Slotted Nut
|
Size |
D |
G |
H |
|
DN10 |
38 |
Rd28 X 1/8 |
18 |
|
DN15 |
44 |
Rd34 X 1/8 |
18 |
|
DN20 |
54 |
Rd44 X 1/6 |
20 |
|
DN25 |
62 |
Rd52 X 1/6 |
21 |
|
DN32 |
68 |
Rd58 X 1/6 |
21 |
|
DN40 |
78 |
Rd65 X 1/6 |
21 |
|
DN50 |
91 |
Rd78 X 1/6 |
22 |
|
DN65 |
110 |
Rd95 X 1/6 |
25 |
|
DN80 |
126 |
Rd110 X 1/4 |
27 |
|
DN100 |
146 |
Rd130 X 1/4 |
29 |
|
DN125 |
178 |
Rd160 X 1/4 |
32 |
|
DN150 |
210 |
Rd119 X 1/4 |
38 |

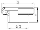
Dimension of Sanitary DIN Union Fittings – Welding Male
|
Size |
Inch |
D |
t |
G |
H |
|
DN25 |
1″ |
25.4 |
1.5 |
Rd52 X 1/6 |
29 |
|
DN32 |
1 1/4″ |
31.8 |
1.5 |
Rd58 X 1/6 |
32 |
|
DN40 |
1 1/2″ |
38.1 |
1.5 |
Rd65 X 1/6 |
33 |
|
DN50 |
2″ |
50.8 |
1.5 |
Rd78 X 1/6 |
35 |
|
DN65 |
2 1/2″ |
63.5 |
2 |
Rd95 X 1/6 |
40 |
|
DN80 |
3″ |
76.2 |
2 |
Rd110 X 1/4 |
45 |
|
DN100 |
4″ |
101.6 |
2 |
Rd130 X 1/4 |
54 |

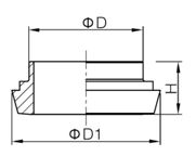
Dimension of Sanitary DIN Union Fittings – Welding Liner
|
Size |
Inch |
D |
t |
D1 |
H |
|
DN25 |
1″ |
25.4 |
1.5 |
44 |
22 |
|
DN32 |
1 1/4″ |
31.8 |
1.5 |
50 |
25 |
|
DN40 |
1 1/2″ |
38.1 |
1.5 |
56 |
26 |
|
DN50 |
2″ |
50.8 |
1.5 |
68 |
28 |
|
DN65 |
2 1/2″ |
63.5 |
2 |
86 |
32 |
|
DN80 |
3″ |
76.2 |
2 |
100 |
37 |
|
DN100 |
4″ |
101.6 |
2 |
121 |
44 |

Dimension of Sanitary DIN Union Fittings – Long Welding Male -DIN11851
|
Size |
D |
G |
H |
|
DN10 |
15 |
Rd28 X 1/8 |
21 |
|
DN15 |
21 |
Rd34 X 1/8 |
21 |
|
DN20 |
25 |
Rd44 X 1/6 |
24 |
|
DN25 |
31 |
Rd52 X 1/6 |
29 |
|
DN32 |
37 |
Rd58 X 1/6 |
32 |
|
DN40 |
43 |
Rd65 X 1/6 |
33 |
|
DN50 |
55 |
Rd78 X 1/6 |
35 |
|
DN65 |
72 |
Rd95 X 1/6 |
40 |
|
DN80 |
87 |
Rd110 X 1/4 |
45 |
|
DN100 |
106 |
Rd130 X 1/4 |
54 |
|
DN125 |
132 |
Rd160 X 1/4 |
46 |
|
DN150 |
157 |
Rd190 X 1/4 |
50 |

Dimension of Sanitary DIN Union Fittings – Long Welding Liner -DIN11851
|
Size |
D |
D1 |
H |
|
DN10 |
15 |
22 |
17 |
|
DN15 |
21 |
28 |
17 |
|
DN20 |
25 |
36 |
18 |
|
DN25 |
31 |
44 |
22 |
|
DN32 |
37 |
50 |
25 |
|
DN40 |
43 |
56 |
26 |
|
DN50 |
55 |
68 |
28 |
|
DN65 |
72 |
86 |
32 |
|
DN80 |
87 |
100 |
37 |
|
DN100 |
106 |
121 |
44 |
|
DN125 |
132 |
150 |
34 |
|
DN150 |
157 |
176 |
37 |

Dimension of Sanitary DIN Union Fittings – Blank
|
Size |
D |
D1 |
H |
|
DN15 |
24 |
28 |
9 |
|
DN20 |
30 |
36 |
11 |
|
DN25 |
35 |
44 |
13 |
|
DN32 |
41 |
50 |
13 |
|
DN40 |
48 |
56 |
13 |
|
DN50 |
61 |
68 |
15 |
|
DN65 |
79 |
86 |
16 |
|
DN80 |
93 |
100 |
16 |
|
DN100 |
114 |
121 |
20 |
|
DN125 |
137 |
150 |
22 |
|
DN150 |
163 |
176 |
24 |
*All dimension are in mm except specified.
Our Company

Exhibition Photos

Shipping & Payment
Product sales area: The most countries of Asia, Europe, Africa, South America and North America.
Packaging: General exporting cartons+pallets (if customer requests)
Transport method: By sea, by air or by rail (samples by express)
MOQ: 500PCS each item
Payment terms: T/T or L/CIf you want to know more information, please contact sales2@cx-hoses-fittings.com
Hot Tags: union din 11851, China, manufacturers, suppliers, factory, customized, wholesale, price, OEM, ODM,







